商品別アイテムから選ぶ
子供椅子・キッズ
衝立・座布団
その他
メーカー名
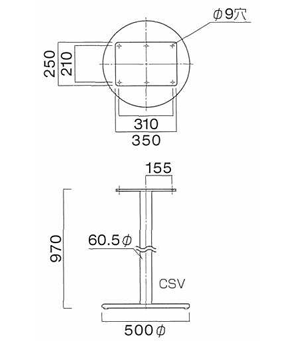
CSV-BL(カウンターテーブル脚)
適応天板はこちら
画像クリックで拡大表示されます。
商品詳細
■サイズ:ベース/スチール(500φ)・アジャスター付
ポール:スチール丸パイプ(60.5φ)
■カラー:粉体塗装ブラック
グリーン購入法適合品
サイズ

価格
| 品番 | 定価 | 販売特価 |
|---|---|---|
| CSV-BL | 33700 | *** |
(税込)
脚仕上げ高
■H970mm
お見積り依頼・ご注文
詳しい金額・納期は、無料お見積りからお問い合わせください。
適応天板サイズ
| ベースサイズ | ポール | 丸型天板![]() |
正方形天板![]() |
|---|---|---|---|
| 500φ | 60.5φ | ~600φ | ~W500×D500 |
こちらのカタログサイトもご覧ください
各商品一覧ページはこちら































